Produkty
HOME > Produkty
JDZX9-35D/290 transformátor napětí
  • JDZX9-35D/290 transformátor napětíJDZX9-35D/290 transformátor napětí
  • JDZX9-35D/290 transformátor napětíJDZX9-35D/290 transformátor napětí
  • JDZX9-35D/290 transformátor napětíJDZX9-35D/290 transformátor napětí

JDZX9-35D/290 transformátor napětí

Comewill, profesionální výrobce transformátorů napětí v Číně, hrdě představuje transformátor napětí JDZX9-35D/290, navržený pro stabilní a přesný výkon v energetických systémech 35 kV.

Kvalitní transformátor napětí JDZX9-35D/290 od výrobce Comewill, navržený s epoxidovou pryskyřicí odlévanou izolací a plně uzavřenou venkovní konstrukcí, zajišťuje vysokou přesnost, vysokou odolnost a dlouhodobou spolehlivost. Je široce používán v oblasti měření energie, monitorování napětí a ochrany relé, což z něj činí ideální řešení pro moderní rozvodné sítě a průmyslové aplikace.

Typové označení

Vítejte (Wenzhou) Electric Co., Ltd transformátor napětí JDZX9-35, model obsahuje klíčové informace o struktuře a použití, které lze snadno rozebrat a pochopit:

Model JDZX9-35 představuje klíčové konstrukční a funkční vlastnosti:

J – Napěťový transformátor
D – Jednofázová struktura
Z – litá izolace z epoxidové pryskyřice
X – S vinutím zbytkového napětí (pro ochranu uzemnění)
9 – Pořadové číslo návrhu
35 – Jmenovité napětí: 35kV

Toto pojmenování modelu přímo zdůrazňuje základní atributy napěťového transformátoru JDZX9-35D/290: navržený speciálně pro vysokonapěťové energetické systémy, využívá izolaci z lité pryskyřice, jednofázovou strukturu a může být také vybaven vinutím zbytkového napětí, které dokonale odpovídá potřebám použití 35kV systémů.

Servisní podmínky

Pro zajištění stabilního dlouhodobého provozu by měl být napěťový transformátor JDZX9-35D/290 používán za následujících podmínek:
Instalace: Pouze pro venkovní použití
Okolní teplota:
Maximum: +40°C
Minimum: -25 °C
Denní průměr ≤ 30°C
Nadmořská výška: ≤ 1000 m (pro vyšší nadmořské výšky je vyžadována vlastní konstrukce)
Úroveň znečištění: Vhodné pro prostředí třídy IV
Atmosféra: Bez silného prachu nebo korozivních plynů

Technická data

Typ Jmenovitý poměr napětí (V) Třída přesnosti Kombinace Jmenovitý výkon (VA) Maximální výkon (VA) Jmenovitá úroveň izolace (kV)
JDZX9-35 35000/√3/100/√3/100/3 0,2/6P 30/100 600 40,5/95/200
0,5/6P 50/100
JDZXF9-35 35 000/√3/100/√3/100/√3/100/3 0,2/0,2/6P 20/20/100 2×300
0,2/0,5/6P 25/30/100
0,5/0,5/6P 30/30/100

Pokyny pro přizpůsobení a použití

Comewill jako zkušený dodavatel transformátorů napětí v Číně poskytuje flexibilní služby přizpůsobení:
K dispozici je vlastní poměr napětí a třída přesnosti
Řešení na míru pro konkrétní požadavky projektu
Podpora nestandardních návrhů
Poznámky k použití:
Pro přesné měření používejte vždy pouze jeden poměr napětí
Vyhněte se současnému provozu s více poměry
Při objednávce uveďte podrobné parametry, abyste zajistili nejlepší výkon

Aplikační scénáře

Napěťový transformátor JDZX9-35D/290 je široce používán v:
Systémy elektrické sítě
Rozvodny
Průmyslové rozvody elektřiny
Systémy měření energie
Aplikace ochrany relé

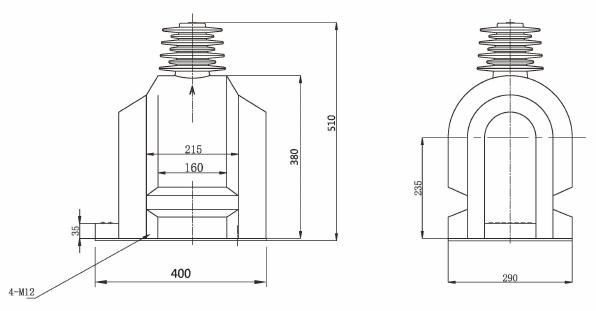
Obrys a rozměry instalace

Principy zapojení pro napěťové transformátory DZX9-35KV

Informace pro objednání

Chcete-li zajistit, aby transformátor dokonale vyhovoval vašim systémovým požadavkům, uveďte:

Poměr napětí
Třída přesnosti
Jmenovitý výstup
Zvláštní požadavky (pokud existují)

Pro přizpůsobená řešení je technický tým Comewill připraven poskytnout profesionální podporu od návrhu až po dodání a zajistit spolehlivý a efektivní provoz ve vašem energetickém systému. Vítejte, kontaktujte nás a získejte cenovou nabídku hned teď!

Hot Tags: JDZX9-35D/290 Transformátor napětí, Čína, Výrobce, Dodavatel, Továrna, Velkoobchod, Na zakázku, Skladem, Vyrobeno v Číně, Nízká cena, Kvalita
Odeslat dotaz
Kontaktní informace
Zašlete poptávku na Comewill na rozváděče, vakuové jističe, proudový transformátor. Získejte přizpůsobené nabídky, nízké ceny nebo odbornou podporu od našeho továrního týmu v Číně.
X
Používáme cookies, abychom vám nabídli lepší zážitek z prohlížení, analyzovali návštěvnost webu a přizpůsobili obsah. Používáním tohoto webu souhlasíte s naším používáním souborů cookie. Zásady ochrany osobních údajů
Odmítnout Přijmout