Produkty
HOME > Produkty
LMZW9-0,66 Proudový transformátor
  • LMZW9-0,66 Proudový transformátorLMZW9-0,66 Proudový transformátor
  • LMZW9-0,66 Proudový transformátorLMZW9-0,66 Proudový transformátor

LMZW9-0,66 Proudový transformátor

Kupte si kvalitní proudový transformátor LMZW9-0,66 od čínského výrobce Comewill. Tento transformátor je speciálně navržen pro obvody střídavého proudu 50 Hz s jmenovitým napětím 0,66 kV a nižším a splňuje kritické požadavky na přesné monitorování proudu a měření energie v průmyslových a stavebních odvětvích distribuce elektrické energie. Jednotka využívá proces odlévání nenasycené pryskyřice a vyznačuje se robustní konstrukcí s vynikající odolností proti vlhkosti a tepelnou stabilitou, což účinně snižuje náklady na údržbu po celou dobu jejího životního cyklu.
Jako profesionální výrobce energetických zařízení v Číně Comewill přísně dodržuje normu IEC 61869, která zajišťuje stabilní a spolehlivý výkon proudového transformátoru LMZW9-0.66. Jeho konstrukce s pevnou montáží zjednodušuje kabeláž na místě a umožňuje bezproblémovou integraci do různých nízkonapěťových distribučních systémů – ať už jde o modernizace nebo nové stavební projekty.

Technický parametr proudového transformátoru LMZW-0,66:

Jmenovitá frekvence 50/60 Hz
Jmenovité napětí 0,6 kV nebo 0,66 kV
Nejvyšší napětí pro zařízení 0,72 kV
Odolné napětí napájecí frekvence 3 kV
Technická norma odpovídá IEC60044-1:2003 nebo IEEE STD C57.13-2008
Typ Jmenovitý primární proud (A) Jmenovitý výkon VA (cosФ=0,8 lag)
0,2 S 0.2 0,5 S 0.5 1
LMZ-0,66 75-100 10-3,75 10-3,75 10-3,75 10-3,7510-3,75 10-3,75
LMZ-0,66 150-300 10-3,75 10-3,75 10-3,75 10-3,75 10-3,75
LMZ-0,66 400-750 10-3,75 10-3,75 10-3,75 10-3,75 10-3,75
LMZ-0,66 1000-1500 10-3,75 10-3,75 10-3,75 10-3,75 10-3,75


Vlastnosti produktu

1. Stabilní výkon

Proudový transformátor LMZW9-0.66 od výrobce Comewill je v souladu s normami IEC 61869, IEC60044-1 a IEEE C57.13

Přesné měření proudu v širokém rozsahu primárních proudů (75–1500A)

Jmenovitý výkon 10–3,75 VA (cosφ=0,8 zpoždění) zajišťuje konzistentní signál pro měření a ochranu


2. Vnitřní design s pevnou montáží

Zjednodušuje zapojení a integraci do nízkonapěťových rozvaděčů a panelů

Snižuje chyby při instalaci a požadavky na údržbu

Kompaktní design maximalizuje využití prostoru panelu


3. Široký operační rozsah

Provozní teplota: -25 ℃ až +55 ℃

Relativní vlhkost: ≤ 90 %, bez kondenzace

Nadmořská výška: ≤ 1000 metrů nad mořem

Vnitřní prostředí bez znečištění, prachu a korozivních plynů


4. Vysoká bezpečnost a dodržování předpisů

Odolné napětí napájecí frekvence: 3kV

Jmenovité napětí: 0,6–0,66 kV, s maximálním napětím zařízení 0,72 kV

Určeno pro dlouhodobý bezpečný provoz v distribučních sítích nízkého napětí


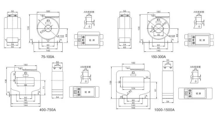
Obrys a instalační rozměry

Vítejte (Wenzhou) Electric Co., Ltd


FAQ


Q1: Jste továrna nebo obchodní společnost?

A1: Jsme továrna, která nám umožňuje přímo nabízet velmi konkurenceschopné ceny.


Q2: Jaký je váš proces kontroly kvality?

A2: Zajišťujeme, aby všechny produkty před odesláním prošly 100% kontrolou.


Q3: Kdy mohu očekávat, že obdržím cenovou nabídku?

A3: Obvykle poskytujeme cenovou nabídku do 24 hodin po obdržení vašeho dotazu.


Q4: Jak mohu získat vzorek?

A4: Můžete si zakoupit vzorek, který bude zahrnovat náklady na vzorek a poplatky za dopravu. Poplatek za expresní doručení závisí na množství a hmotnosti vzorků.


Q5: Jaké jsou náklady na dopravu?

A5: Náklady na dopravu se liší v závislosti na cílovém přístavu.


Hot Tags: LMZW9-0.66 Proudový transformátor, Čína, Výrobce, Dodavatel, Továrna, Velkoobchod, Na míru, skladem, Vyrobeno v Číně, Nízká cena, Kvalita
Odeslat dotaz
Kontaktní informace
Zašlete poptávku na Comewill na rozváděče, vakuové jističe, proudový transformátor. Získejte přizpůsobené nabídky, nízké ceny nebo odbornou podporu od našeho továrního týmu v Číně.
X
Používáme cookies, abychom vám nabídli lepší zážitek z prohlížení, analyzovali návštěvnost webu a přizpůsobili obsah. Používáním tohoto webu souhlasíte s naším používáním souborů cookie. Zásady ochrany osobních údajů
Odmítnout Přijmout