Produkty
HOME > Produkty
LMZJ1-0,5 Proudový transformátor
  • LMZJ1-0,5 Proudový transformátorLMZJ1-0,5 Proudový transformátor
  • LMZJ1-0,5 Proudový transformátorLMZJ1-0,5 Proudový transformátor
  • LMZJ1-0,5 Proudový transformátorLMZJ1-0,5 Proudový transformátor

LMZJ1-0,5 Proudový transformátor

Proudový transformátor LMZJ1-0.5 je průchozí přípojnicové zařízení navržené speciálně pro vnitřní AC obvody, vyráběné Comewillem, profesionálním výrobcem v Číně. Tento produkt je speciálně navržen pro systémy se jmenovitým napětím ≤ 0,5 kV a frekvencí 50 Hz. Je to hlavní součást pro měření proudu, měření energie a reléovou ochranu v nízkonapěťových energetických zařízeních a je velmi vhodná pro hromadné nákupy v průmyslových a komerčních projektech.

Jako profesionální výrobce v Číně by vám společnost Comewill ráda poskytla přizpůsobený proudový transformátor LMZJ1-0,5, který je vylepšen pomocí technologie odlévání pryskyřice a využívá režim instalace s pevnou základní deskou. Díky lepší provozní stabilitě a dlouhodobé životnosti šetří partnerům pro nákup od kořene náklady na údržbu. Poskytuje více možností vysoce přesných převodů 0,2, 0,5, 0,2 s a 0,5 s, které snadno pokrývají různé potřeby aplikací v různých scénářích.

Kompaktní konstrukční design umožňuje flexibilnější instalaci a nasazení a duální podpora konfigurace zabezpečení na nejvyšší úrovni a ultra dlouhá životnost činí z proudového transformátoru LMZJ1-0,5 spolehlivou volbu při nákupu moderních nízkonapěťových systémů. Stojí za zmínku, že tento nízkonapěťový transformátor má vynikající odolnost vůči vysokým teplotám a znečištění a dokáže udržet stabilní provoz i v drsném prostředí, čímž maximalizuje hodnotu každé investice do nákupu.

Struktura produktu

Jádro proudového transformátoru LMZJ1-0,5 je kruhové železné jádro vyrobené z orientovaných plechů z křemíkové oceli válcovaných za studena – tato přesná konstrukce vinutí je klíčem k maximalizaci magnetické účinnosti a položení základu pro spolehlivý provoz.
Sekundární vinutí je rovnoměrně ovinuté kolem tohoto kruhového železného jádra, což je pečlivě navržené uspořádání, které zajišťuje konzistentní výkon za všech provozních podmínek a eliminuje problémy s nerovnoměrným výstupem.
Středové okénko prochází středem produktu a je navrženo pro bezproblémovou integraci přípojnic, zatímco pevná základna ve spodní části poskytuje bezpečnější a stabilnější instalační bod produktu, což usnadňuje instalaci.
Celá součást je odlita z nenasyceného pryskyřičného izolačního materiálu. Toto robustní pouzdro nejen zvyšuje odolnost, ale také zlepšuje bezpečnost a chrání vnitřní součásti před tlakem okolního prostředí, díky čemuž je transformátor odolný v různých pracovních prostředích.

Parametr

Elektrický parametr Mechanický parametr
Frekvence 50/60 Hz Věc PC/UL94-V0
Jmenovitý vstup 5A-5000A Cívka PBT
Rozsah měření 5%In-120%In Jádro Silikonová ocel
Jmenovitý výstup 1A, 5A Konstrukce Šroub
Poměrové napětí 0,72 KV (AC) Provozní teplota -25℃~+75℃
Dielektrická pevnost 3,0 KV/1 mA/1 min Provozní vlhkost ≤ 85 %
Izolační odpor DC 500V/100MΩ min Výstupní připojení Terminál
Model Primární / sekundární Rozměry otvoru přípojnice (mm) Jmenovité zatížení (VA) Třída přesnosti Jmenovité napětí
LMZJ1-0,5 30 5/5A~300/5A ø=31 mm 2,5~5 0,2S 0,5S 0,5 0,72 KV (AC)
LMZJ1-0,5 35 5/5A~300/5A ø=35mm 2,5~5 0,2S 0,5S 0,5 0,72 KV (AC)
LMZJ1-0,5 40 200/5A~500/5A ø = 42 mm 5 0,2S 0,5S 0,5 0,72 KV (AC)
LMZJ1-0,5 50 400/5A~600/5A ø = 56 mm 5 0,2S 0,5S 0,5 0,72 KV (AC)
LMZJ1-0,5 80 750/5A~1200/5A ø = 83 mm 10~20 0,2S 0,5S 0,5 0,72 KV (AC)
LMZJ1-0,5 100 800/5A~2000/5A ø=102 mm 10~30 0,2S 0,5S 0,5 0,72 KV (AC)
LMZJ1-0,5 140 2000/5A~4000/5A ø=142 mm 15~30 0,2S 0,5S 0,5 0,72 KV (AC)
LMZJ1-0,5 180 5000/5A~6000/5A ø=182 mm 15~30 0,2S 0,5S 0,5 0,72 KV (AC)

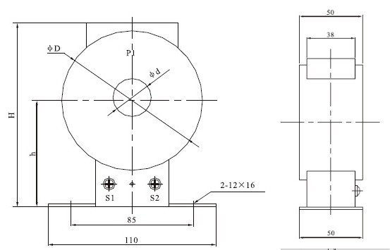
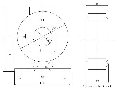
Obrys a rozměry instalace

Typ Aktuální poměr H h φD φd
LMZ1-0,5 5-300/5 117 68 90 30
Typ Aktuální poměr H h φD φd a b
LMZJ1-0,5 5-300/5 118 70 91 32 10 41
400-600/5 128 75 97 43 12 52
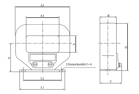
Typ Aktuální poměr A1 A2 B h H L1 L2 C b
LMZJ1-0,5 1000/51200/51500/5 172 104 30 80 140 156 123 41 50
2000/53000/5 216 140 42 102 182 175 150 46 70
4000/55000/5 238 150 55 117 220 230 180 60 94
Hot Tags: LMZJ1-0.5 Proudový transformátor, Čína, Výrobce, Dodavatel, Továrna, Velkoobchod, Na míru, skladem, Vyrobeno v Číně, Nízká cena, Kvalita
Odeslat dotaz
Kontaktní informace
Zašlete poptávku na Comewill na rozváděče, vakuové jističe, proudový transformátor. Získejte přizpůsobené nabídky, nízké ceny nebo odbornou podporu od našeho továrního týmu v Číně.
X
Používáme cookies, abychom vám nabídli lepší zážitek z prohlížení, analyzovali návštěvnost webu a přizpůsobili obsah. Používáním tohoto webu souhlasíte s naším používáním souborů cookie. Zásady ochrany osobních údajů
Odmítnout Přijmout